德韦尔主页
公司简介
新闻中心
产品展示
诚聘英才
网上留言
联系我们
电力设备:关注开关企业 兼顾业绩增长
→ 产品栏目分类
>> DeM500系列电量变送器
>> DeM300系列开关柜智能操显
>> DeM200J低压电机智能保护控制器
>> DeM100Z综合电力测控仪
>> DeM100S(X)电子式电度表
>> DeM100E系列多功能电力仪表
→ 联系德韦尔
无锡德韦尔电气有限公司欢迎您!
地址:无锡工业设计园滴翠路100号A幢1507室
电话:0510-85845007
电话:13961885106
传真:0510-85845009
网址:www.dewell.biz
E-mail:2105566@163.com
邮编:214072
→ 产品展示
您当前位置 >> 主页 >> 产品展示
DeM300系列开关柜智能操显
■ DeM3 00-B
□ 安装方式:屏装(开孔尺寸:220×165mm)
□ 安装尺寸
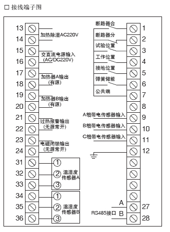
□ 接线端子图
«
‹
1
2
3
4
5
6
›
»
上一页:DeM500系列电量变送器
下一页:DeM200J低压电机智能保护控制器
Copyright © 2011 无锡德韦尔电气有限公司 All Rights Reserved.
苏ICP备00000000号