| |
| → 产品栏目分类 |
 |
|
| → 联系德韦尔 |
 |
无锡德韦尔电气有限公司欢迎您!
地址:无锡工业设计园滴翠路100号A幢1507室
电话:0510-85845007
电话:13961885106
传真:0510-85845009
网址:www.dewell.biz
E-mail:2105566@163.com
邮编:214072 |
|
|
|
|
|
| → 产品展示 |
您当前位置 >> 主页 >> 产品展示 |
 |
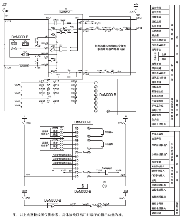
| DeM300系列开关柜智能操显 |
| ■ De M300- B典型接线方式 |
|
|
| 订货说明 |
用户应将特定的方案图传真至本公司,本公司二次设计后会将图形回传,要求用户确认,以免差错。
订货时,用户需注明选用以下几种或全部功能:
□ 自动加热除湿控制功能(传感器需一路或两路)
□ 高压带电指示
□ 高压带电强制闭锁功能
□ 弹簧储能指示 |
| 上一页:DeM500系列电量变送器 下一页:DeM200J低压电机智能保护控制器 |  |
|
|
|