| |
| → 产品栏目分类 |
 |
|
| → 联系德韦尔 |
 |
无锡德韦尔电气有限公司欢迎您!
地址:无锡工业设计园滴翠路100号A幢1507室
电话:0510-85845007
电话:13961885106
传真:0510-85845009
网址:www.dewell.biz
E-mail:2105566@163.com
邮编:214072 |
|
|
|
|
|
| → 产品展示 |
您当前位置 >> 主页 >> 产品展示 |
 |
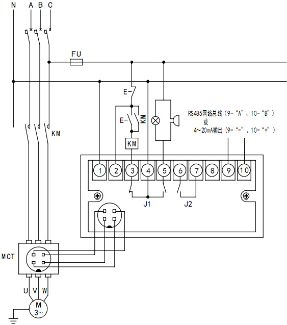
| DeM200J低压电机智能保护控制器 |

注 1:图中继电器 J2 为可编程继电器,常规作为报警继电器用,在保护器带有通讯功能时,继电器J2 可并接在启动按钮两端,作通讯启动用。
注 2:图中 MCT 为保护器自带电流互感器,≤200A 电流规格保护器,主线路 A、B、C三相一次穿芯即可;当电动机的额定电流大于 200A 时,需接外部保护 CT,将 CT 二次侧 5A 电流线每相在保护器 MCT 上绕5 匝。
注 3:保护器所配电流互感器 MCT 为通用型,不同规格保护器也可互换电流互感器 MCT。 |
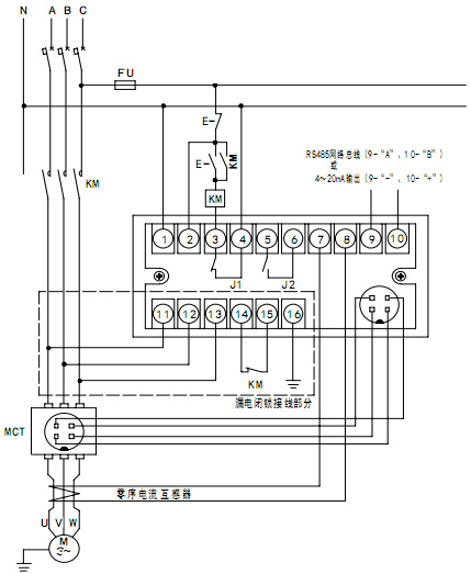
| 10.3. DeM200J 系列带漏电保护或漏电闭锁功能接线图(AC220V供电) |
|

|
注 1:图中继电器 J2 为可编程继电器,常规作为报警继电器用,在保护器带有通讯功能时,继电器J2 可并接在启动按钮两端,作通讯启动用。
注 2:图中 MCT 为保护器自带电流互感器,≤200A 电流规格保护器,主线路 A、B、C三相一次穿芯即可;当电动机的额定电流大于 200A 时,需接外部保护 CT,将 CT 二次侧 5A 电流线每相在保护器 MCT 上绕
5 匝。
注 3:保护器所配电流互感器 MCT 为通用型,不同规格保护器也可互换电流互感器 MCT。
注 4:虚线框内为漏电闭锁功能的接线部分,其中 14#和15#端子接接触器的常闭辅助触点,11#、12#、13#端子分别接KM主触点下端的A、B、C三相线。做工频耐压试验前,16#接线端子必须与地线断开,否则控制器漏电闭锁部分会被高压击坏。
11. 订货须知
11.1. 选用保护器时应注明所需保护器的型号、规格、数量、工作电源电压。
11.2. 选用分装式保护器,用户可根据安装要求表明保护器上、下体之间连接距离,距离≤5 米。
11.3. 保护器享有两年的保用期,即收货之日起至二年内如发现本产品有故障或运输途中损坏,请退还我公司客服部,优先给予免费调换(人为损坏例外)。 |
| 上一页:DeM300系列开关柜智能操显 下一页:DeM100Z综合电力测控仪 |  |
|
|
|